首页
关于长晶
发展历程
企业介绍
加入长晶
新闻中心
产品中心
安博在线登录官网
三极管
MOSFET
IC产品
IGBT
IPM
第三代半导体
汽车电子
其他
应用领域
质量体系
质量方针
体系证书
环境物质检测报告
安博(中国)
EN
EN
首页
>>
产品中心
>>
其他
>>
复合管
>>
晶体管+MOS
>>
搜索
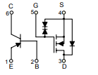
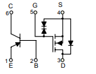
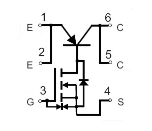
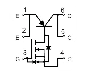
晶体管+MOS
Part Number
Circuit
Download
Status
ID
(A)
RDS(ON) @TYP=4.5V
(mΩ)
Polarity
VCEO
(V)
IC
(mA)
hEF Min
(V)
hEF Max
(V)
RDS(ON) @TYP=10V
(mΩ)
VBR(DSS)
(V)
VGS(th)
(V)
Package
Reset
Reset All
Active
OK
Reset
OK
Reset
OK
Reset
PNP+N-ch
OK
Reset
OK
Reset
OK
Reset
OK
Reset
OK
Reset
OK
Reset
OK
Reset
0.44~1.1
0.45~1
0.45~1.2
OK
Reset
DFNWB2x2-6L
DFNWB3x2-8L
OK
Reset
CJMNT31
Active
0.8
PNP+N-ch
-30
-2000
100
300
20
0.45~1
DFNWB2x2-6L
CJMNT32
Active
0.8
PNP+N-ch
-32
-1500
100
300
20
0.44~1.1
WBHFBP-06L-F
CJMNT32
Active
0.8
PNP+N-ch
-32
-1500
100
300
20
0.44~1.1
DFNWB2x2-6L
CJMNT33
Active
0.8
PNP+N-ch
-32
-1500
100
300
20
0.44~1.1
DFNWB2x2-6L
CJZM718
Active
0.5
0
PNP+N-ch
-25
-3000
300
0
0
20
0.45~1.2
DFNWB3x2-8L
导出Excel
FHapp官网
|
安博web版登录入口
|
火博网页版登录入口
|
乐鱼网页版
|
开云手机官方版登录入口
|
乐动注册
|
KY开元
|
江南平台
|
KY开元
|